Dimensão: 3,72 x 2,80 x 1,95 m
A Superfície Total: 6,72 x 5,80 m
Altura de queda: 1350 mm
Peso total: 223 kg
Idade: 6 a 14 anos
Usuários: 12 Usuário/s
Certificados:
|
DESCARGAS Catálogos Jolas |
|
|
LIGUE-NOS, TEMOS MUITO PRAZER EM O ACONSELHAR. +34 943 83 34 00 |
|
|
CONFIGURADOR Iniciar sessão / Efetuar registo |
|
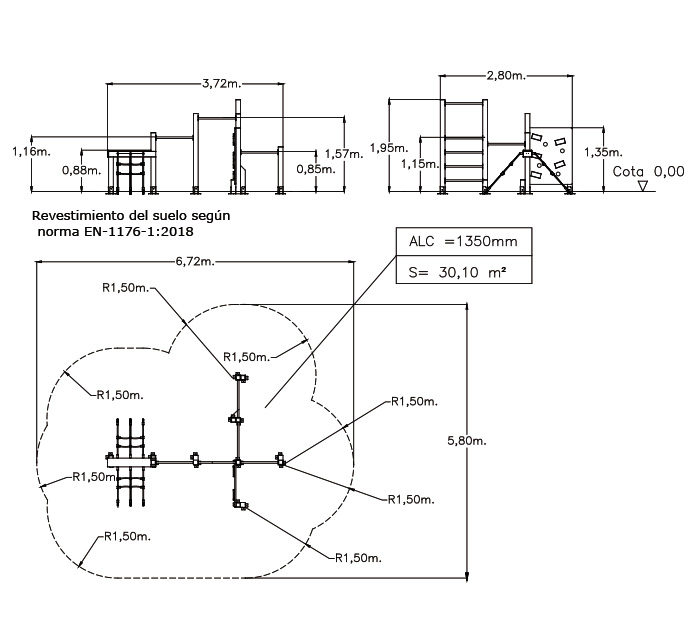
Dimensão: 3,72 x 2,80 x 1,95 m
A Superfície Total: 6,72 x 5,80 m
Altura de queda: 1350 mm
Peso total: 223 kg
Idade: 6 a 14 anos
Usuários: 12 Usuário/s
Certificados: