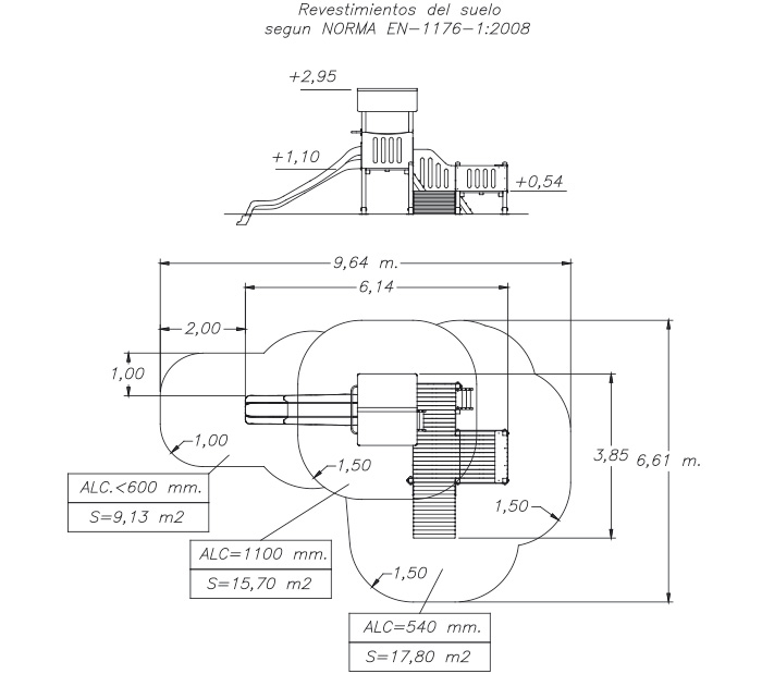
Neurria: 6.14 x 3.85 x 2.95 m
Azalera Osoa: 9.64 x 6.61 m
Erorketa altuera: 1100 mm
Guztizko pisua: 600 kg
Adina: 3 urtetik 13 urtera
Erabiltzaileak: 31 erabiltzaile
Ziurtagiriak:
|
DESKARGAK Jolas Katgalogoa |
|
|
DEI IEZAGUZU ETA AHOLKUA ESKAINIKO DIZUGU +34 943 83 34 00 |
|
|
KONFIGURATZAILEA Hasi saioa / Erregistratu |
|
Neurria: 6.14 x 3.85 x 2.95 m
Azalera Osoa: 9.64 x 6.61 m
Erorketa altuera: 1100 mm
Guztizko pisua: 600 kg
Adina: 3 urtetik 13 urtera
Erabiltzaileak: 31 erabiltzaile
Ziurtagiriak: